<th id="trpnp"><noframes id="trpnp"><th id="trpnp"></th>
<span id="trpnp"><noframes id="trpnp">
<span id="trpnp"><video id="trpnp"></video></span>
<span id="trpnp"><video id="trpnp"></video></span>
<strike id="trpnp"></strike>
<ruby id="trpnp"></ruby>
<strike id="trpnp"></strike>
<span id="trpnp"><noframes id="trpnp"><span id="trpnp"></span>
<span id="trpnp"><noframes id="trpnp">
<th id="trpnp"></th>
位置:首頁 >> 新聞中心

電力聚丙乙烯導管斷裂伸長率試驗機測試方法

作者:中創試驗機時間:2021-11-03 09:16 瀏覽:

電力聚丙乙烯導管斷裂伸長率試驗機測試方法

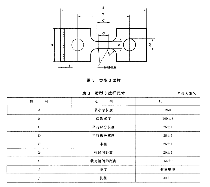
1、當壁厚。大于12 mm時,采用類型3試樣進行試驗。取五個試樣試驗的算術平均值作為測試結果。

2管材壁厚小于或等于12 mm規格的管材,可采用啞鈴形裁刀沖裁或機械加工的方法制樣。管材壁厚大于12 mm的管材應采用機械加工的方法制樣。

3、試樣的尺寸:

電力聚丙乙烯導管斷裂伸長率試驗機測試方法 

4、試樣的制備:

試樣應按照GB/T 8804. 15. 2. 1及下面的a)b)的要求從所取樣條的中部制取。

a)壁厚小于或等于12 mm的管材根據下列類型應采用裁刀沖裁或機械加工制樣:

    —壁厚大于5 mm但小于或等于12 mm采用類型I;

    —壁厚小于或等于5 mm采用類型20

b)壁厚大于12 mm的管材應采用類型1或類型3用機械加工方法制樣。

電力聚丙乙烯導管斷裂伸長率試驗機測試方法 

電力聚丙乙烯導管斷裂伸長率試驗機測試方法

電話:0531-85990007
微信:18615658716(陳經理)
Q Q:34485487
地址:濟南市槐蔭區西沙路690號

?
<th id="trpnp"><noframes id="trpnp"><th id="trpnp"></th>
<span id="trpnp"><noframes id="trpnp">
<span id="trpnp"><video id="trpnp"></video></span>
<span id="trpnp"><video id="trpnp"></video></span>
<strike id="trpnp"></strike>
<ruby id="trpnp"></ruby>
<strike id="trpnp"></strike>
<span id="trpnp"><noframes id="trpnp"><span id="trpnp"></span>
<span id="trpnp"><noframes id="trpnp">
<th id="trpnp"></th>
制服丝袜